SHOP
HOME PAGE
MERCEDES FBS4
NEW
MANUAL
MD1CP001
MG1CP002
MD1CS006
MED17.7.2
MED17.7.3
MED17.7.7
EDC17 C66
EDC17 CP57
CRD3.XX
CAN SENDER
NEW
MANUAL
RENAULT ISK DECODER
MANUAL
EMS 3125 CONTINENTAL
EMS 3140 CONTINENTAL
EMS 3160 CONTINENTAL
EMS 3161 CONTINENTAL
MD1CS006 BOSCH
SID 307 CONTINENTAL
SID 309 CONTINENTAL
SID 310 CONTINENTAL
SID 321 CONTINENTAL
RENAULT
MANUAL
EDC 15 / 16 / 17
EDC15 BOSCH
EDC15 C13 BOSCH
EDC16 C3 BOSCH
EDC16 C3 BOSCH (Relay)
EDC16 CP33 BOSCH
EDC16 CP33 BOSCH (Relay)
EDC16 C36 BOSCH
EDC16 C41 BOSCH
EDC17 BOSCH
EDC17 BOSCH (Relay)
EDC17 C42 BOSCH
EDC17 C42 BOSCH (Relay)
EDC17 C84 (Relay)
ME 17.9.20 BOSCH
EMS
EMS 3110 CONTINENTAL
EMS 3120 CONTINENTAL
EMS 3125 CONTINENTAL
EMS 3125 CONTINENTAL
EMS 3134 SIEMENS
EMS 3150 CONTINENTAL
EMS 3155 CONTINENTAL
SID
SID 301 SIEMENS
SID 305 CONTINENTAL
SID 307 CONTINENTAL
SID 309 CONTINENTAL
SID 310 CONTINENTAL
BCM T4
DCM 1.2 DELPHI
DCM 3.4 DELPHI
DDCR
S2000 SAGEM
S3000 SAGEM
SIM 32 SIEMENS
ISUZU DENSO
IAW 5NR. T1
lAW 5NR2
V40 VALEO
V42 VALEO
V50 VALEO
HITACHI EWR20
HI-BED434
HI-MEC92
MEC 37-510
MEC 37-670
MEC 121-780
SIRIUS 32
SIRIUS 34
NISSAN
MANUAL
EDC16 C41
EDC17 C42 BOSCH
EDC16 CP33
EDC17 CP51
EMS 3155 CONTINENTAL
SID 303 SIEMENS
SID 305 CONTINENTAL
SID 307 CONTINENTAL
SID 310 CONTINENTAL
SID 321
NEW
MEC 30-020
NEW
MEC 32-211
MEC 940-160
MEC 940-240
NEW
MEC 940-480
MEC 932-110
FIAT
MANUAL
EDC 15 / 16 / 17
EDC16 C8 BOSCH
EDC16 C34 BOSCH
EDC16 C39 BOSCH
EDC17 C49 BOSCH
EDC17 C69 BOSCH
EDC17 CP52 BOSCH
EDC17 CP52 BOSCH V1
EDC17 CP52 BOSCH V2
MD1CS069
NEW
MD1CS199
NEW
MM 11GFAC
MM 12GF
NEW
ME 17.3.0 BOSCH
ME 7.3.1 BOSCH
ME 7.3.4 BOSCH
ME 7.9.10 BOSCH
DCM 6.2C DELPHI
DCM 6.2A DELPHI
DCM 7.1B DELPHI
lAW 5SF3
IAW 5SF4
IAW 5SF.L0
IAW 5NF. T1
IAW 5NF. T2
IAW 9GF.xx
MJD 8Fx
MJD 6JF
MJD 9DF.xx
MM 10JA
SID 208 CONTINENTAL
DCU 102 VISTEON
GPEC4LM
FORD
MANUAL
DCM 6.1
DCU 104 VISTEON
EDC17 C70
MD1SC005
SID 208 CONTINENTAL
SID 211 CONTINENTAL
HYUNDAI / KIA
MANUAL
EDC 17 C08
EDC 17 C53
EDC 17 C57
ME 17.9.11.1
CPEGP 2.10.1
CPGPSH 2.14.1
PSA
MANUAL
TCU AISIN BVA AXN8
NEW
DCM 3.4 DELPHI
DCM 3.5 DELPHI
DCM 6.2A DELPHI
DCM 6.2C DELPHI
DCM 7.1A DELPHI
EDC15 BOSCH
EDC16 BOSCH
EDC17 BOSCH
EDC17 C60 BOSCH
EDC17 CP42 BOSCH
J34P VALEO
IAW 48P2
IAW 6LP
IAW 6LP (relay)
IAW 6LPB
NEW
MD1 CS003
MED 17.4.4
ME 7.4.4 BOSCH
NEW
ME 7.4.5 BOSCH
MEV 17.4 BOSCH
MG1 CS042
MG1 CS051
NEW
S2PM
S2000 SAGEM
SID 201 SIEMENS
SID 208 CONTINENTAL
SID 803 SIEMENS
SID 803A SIEMENS
SID 804 SIEMENS
SID 806 SIEMENS
SID 807 & SID 807 EVO
V34.1 VALEO
V34.3 VALEO
V46.1 VALEO
V46.11 VALEO
VD56.1 VALEO
VD56.12 VALEO
TOYOTA
MANUAL
DENSO - LAND CRUISER
DENSO BENZIN
DENSO DIESEL
EDC16 C10
EDC17 CP07
EDC17 CP37
MAZDA
NEW
Telematics TCM U3000
VAG IMMO 4
MANUAL
SIMOS 9.1
4HV MM
MED 9.5.10
PCR 2.1
PPD 1.x
VAG IMMO 5
MANUAL
DCM 6.2V
DCM 6.2V - relay
TACHO
MANUAL
MERCEDES
W204 | W212
W246
W221
W906
BMW
BMW Fxx
E65
E6x
VAG
MQB PLATFORM
VW MQB KM INCREASE
AUDI IGNITION
AUDI VIRTUAL KM INCREASE
RENAULT
MEGANE
CLIO 4
FORD
FUSION MONDEO IGNITION
VOLVO
XC40
V70 | V70 III
V70 III INDICATOR TEST
VIN EMU V2
MANUAL
VIN EMU MIB2
NEW
MANUAL
VIN EMU RANGE ROVER
MANUAL
ESL EMULATOR
BMW
RENAULT / NISSAN
Universal ESL/ELV
MULTI ESL
K-LINE EMULATORS
FIAT, ALFA ROMEO
MAZDA
RENAULT WITHOUT CAN
VAG WITHOUT CAN
DAEWOO, CHEVROLET
SRS AIRBAG EMULATOR
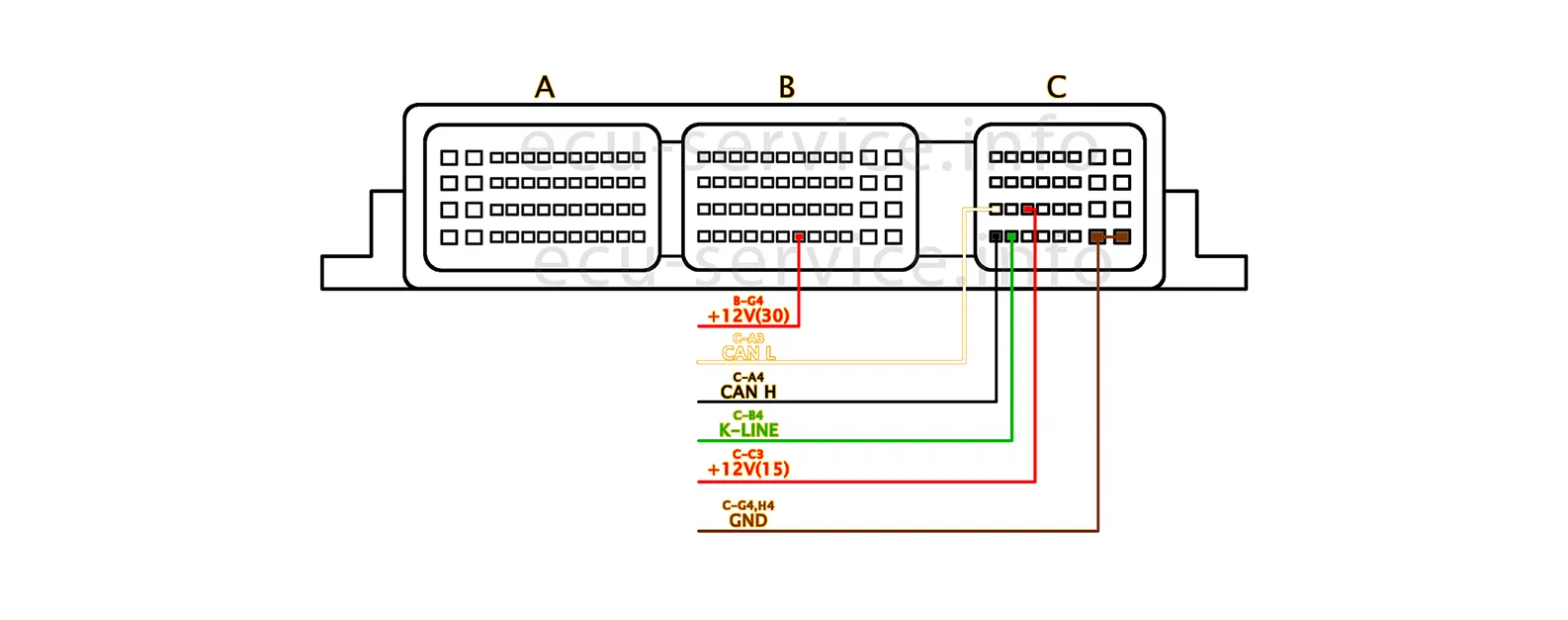
PSA
SID 803A SIEMENS
CONNECTION
IMMO OFF
BUY NOW
STEP 1
STEP 2
Please write PIN code to emulator eeprom according example: